Application in the Compressor of gas gathering station
Summary
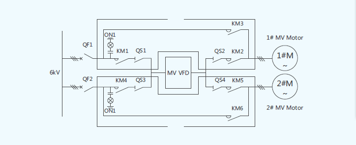
A Edong coalbed gas project in Baode, Shanxin province. There is a 1200kW soft starter match with 2 compressor. In order to improve the production technology and save energy, they adopt a 6kV 1250kW VFD to control 2 compressor, and retain the old soft starter standby.
Application
Reference the above chart, there are 3 options.
1. 1#Motor adjust the running speed by variable frequency, 2#motor standby power frequency. Switch on QF1, KM1, KM2, QS1, QS2, break off other switches. When 1#motor max. running speed can't meet the requirements of working condition. 2#motor starts automatically by power frequency mode. When 1#motor failed in variable frequency, power frequency will replace it through the feedback failure signal.
2.2#Motor adjust the running speed by variable frequency, 1#motor standby power frequency. Operation method same as above.
3. When the VFD is failure, the control circuit will be changed to the old soft starter.
Benefit analysis
1.Compressor operate more smooth operation, controlled by VFD automatically.
2 Reduce the compressor start and stop times., reduce the operator’s workload.
3 Reduces the power consumption and mechanical damage, extend the service life, improve the economic benefits.
4 Reduce the noise of the machine, realize the soft start and soft stop.
5 Avoid the current impact to compressor, reduce the maintenance of equipments.
6. 2 sets control circuit ensure the normal and safety operation of system.

Chinese
English


